UNIDENTIFIED

M/G/P CARD

Card Type

Graphics/printer card

Chipset/Controller

Unidentified

I/O Options

Parallel port, video port

Maximum DRAM

N/A

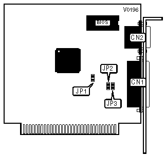
CONNECTIONS

Purpose

Location

Purpose

Location

Parallel port

CN1

15-pin analog video port

CN2

BIOS TYPE CONFIGURATION

Type

JP1

»

2764

Closed

 

UM2301

Open

PARALLEL PORT CONFIGURATION

LPT

JP2

JP3

1

Open

Open

2

Open

Closed

3

Closed

Open

Disabled

Closed

Closed