NEWCOM, INC.
NEWCLEAR SC128-3D
|
Card Type |
Sound card |
|
Chip Set |
S3 |
|
Maximum Onboard Memory |
Unidentified |
|
I/O Options |
Line in (2), microphone in (2), line out (2), speaker out (2), game port, audio in - CD-ROM, auxiliary in, TAD connector |
|
Data Bus |
32-bit PCI |
|
Card Size |
Half-length, full-height |
|
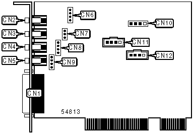
CONNECTIONS | |||
|
Function |
Label |
Function |
Label |
|
Game/MIDI port |
CN1 |
Microphone in - internal |
CN7 |
|
Line in |
CN2 |
Line out - internal |
CN8 |
|
Microphone in |
CN3 |
Speaker out - internal |
CN9 |
|
Line out |
CN4 |
Auxiliary in |
CN10 |
|
Speaker out |
CN5 |
Audio in - CD-ROM |
CN11 |
|
Line in - internal |
CN6 |
TAD connector |
CN12 |