INDUSTRIAL COMPUTER SOURCE

AD12-8

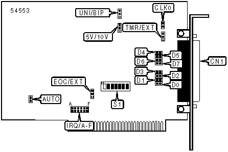
Card Type

Analog to digital converter

I/O Options

parallel port

Data Bus

8-bit ISA

CONNECTIONS

Function

Label

DB-37 connector

CN1

USER CONFIGURABLE SETTINGS

Function

Label

Position

Sets Counter#1 output as Counter#2 clock input

CLK0

closed

Uses Counter#2 output to start preprogrammed A/D conversions

TMR/EXT

Pins 1 & 2 closed

ANALOG INPUT RANGES

Range

10V/5V Jumper

UNIP/BIP Jumper

+/- 5V

Pins 1 & 2 closed

Pins 2 & 3 closed

+/- 10V

Pins 2 & 3 closed

Pins 2 & 3 closed

+ 10V

Pins 1 & 2 closed

Pins 1 & 2 closed

INTERRUPT SOURCE SELECTION

Function

Label

Position

Selects interrupts caused by the end-of-conversion signal

EXT/EOC

Pins 1 & 2 closed

Selects external interrupts

EXT/EOC

Pins 2 & 3 closed

Note: The end-of-conversion interrupt is to be used only when the counter/timer or an external event are used to start A/D conversions. Use of the AUTO jumper or Software Start with the interrupts will degrade card speed.

IRQ SELECTION

Interrupt

A

B

C

D

E

F

IRQ2

Closed

Open

Open

Open

Open

Open

IRQ3

Open

Closed

Open

Open

Open

Open

IRQ4

Open

Open

Closed

Open

Open

Open

IRQ5

Open

Open

Open

Closed

Open

Open

IRQ6

Open

Open

Open

Open

Closed

Open

IRQ7

Open

Open

Open

Open

Open

Closed

DIGITAL I/O CONFIGURATION

DIO

D0

D1

D2

D3

D4

D5

D6

D7

DIO0

Closed

Open

Open

Open

Open

Open

Open

Open

DIO1

Open

Closed

Open

Open

Open

Open

Open

Open

DIO2

Open

Open

Closed

Open

Open

Open

Open

Open

DIO3

Open

Open

Open

Closed

Open

Open

Open

Open

DIO4

Open

Open

Open

Open

Closed

Open

Open

Open

DIO5

Open

Open

Open

Open

Open

Closed

Open

Open

DIO6

Open

Open

Open

Open

Open

Open

Closed

Open

DIO7

Open

Open

Open

Open

Open

Open

Open

Closed

BASE I/O ADDRESS SELECTION

Setting

S1/7

S1/6

S1/5

S1/4

S1/3

S1/2

S1/1

 

000h

On

On

On

On

On

On

On

 

018h

On

On

On

On

On

Off

Off

 

038h

On

On

On

On

Off

Off

Off

 

078h

On

On

On

Off

Off

Off

Off

 

200h

Off

On

On

On

On

On

On

»

300h

Off

Off

On

On

On

On

On

 

380h

Off

Off

Off

On

On

On

On

 

3C0h

Off

Off

Off

Off

On

On

On

 

3E0h

Off

Off

Off

Off

Off

On

On

 

3F0h

Off

Off

Off

Off

Off

Off

On

 

3F8h

Off

Off

Off

Off

Off

Off

Off

Note:

A total of 128 base address settings are available. The switches are a binary representation of the decimal memory addresses. S1/7 is the Most Significant Bit and switch S1/1 is the Least Significant Bit. The switches have the following decimal values: S1/7=512, S1/6=256, S1/5=128, S1/4=64, S1/3=32, S1/2=16, S1/1=8. Turn off the switches and add the values of the switches to obtain the correct memory address. (Off=1, On=0)