LAVA COMPUTER MANUFACTURING, INC.
LAVA BI-DIRECTIONAL PARALLEL PORT (VER. 3)
|
Card Type |
Parallel card |
|
Chip Set |
Unidentified |
|
Maximum Onboard Memory |
Unidentified |
|
I/O Options |
Parallel port |
|
Data Bus |
8-bit ISA |
|
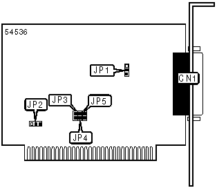
CONNECTIONS | |
|
Function |
Label |
|
Parallel port (DB-25) |
CN1 |
|
USER CONFIGURABLE SETTINGS | ||
|
Function |
Label |
Position |
|
Bi-directional mode enabled |
JP1 |
Pins 1 & 2 closed |
|
Output mode enabled |
JP1 |
Pins 2 & 3 closed |
|
PARALLEL PORT ADDRESS SELECTION | |||
|
Setting |
JP3 |
JP4 |
JP5 |
|
LPT1 (3BCh) |
Closed |
Open |
Open |
|
LPT2 (378h) |
Open |
Closed |
Open |
|
LPT3 (278h) |
Open |
Open |
Closed |
|
PARALLEL PORT INTERRUPT SELECTION | |
|
IRQ |
JP2 |
|
IRQ5 |
Pins 1 & 2 closed |
|
IRQ7 |
Pins 2 & 3 closed |