IRWIN
SC499R
|
Card Type |
Tape drive controller |
|
Hard Drives supported |
None |
|
Floppy drives supported |
None |
|
Data Bus |
8-bit ISA |
|
Card Size |
Half-length, full-height |

|
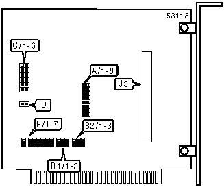
CONNECTIONS |
|
|
Function |
Label |
|
Tape drive interface |
J3 |
Note: Number of pins is unidentified. |
|
|
USER CONFIGURABLE SETTINGS |
|||
|
Function |
Label |
Position |
|
|
» |
Factory configured - do not alter |
A/8 |
Closed |
|
» |
Factory configured - do not alter (enables interrupt at 512 byte boundaries) |
B/1 |
Open |
|
» |
POST enabled |
C/1 |
Closed |
|
|
POST disabled |
C/1 |
Open |
|
» |
Factory configured - do not alter |
C/2 |
Open |
|
» |
Factory configured - do not alter |
C/3 |
Open |
|
» |
Factory configured - do not alter |
C/4 |
Open |
|
» |
Factory configured - do not alter |
C/5 |
Closed |
|
» |
Factory configured - do not alter |
C/6 |
Closed |
|
» |
Factory configured - do not alter |
D |
Open |
|
DMA CHANNEL SELECTION |
||||||
|
Channel |
B1/1 |
B1/2 |
B1/3 |
B2/1 |
B2/2 |
B2/3 |
|
1 |
Closed |
Open |
Open |
Closed |
Open |
Open |
|
2 |
Open |
Closed |
Open |
Open |
Closed |
Open |
|
3 |
Open |
Open |
Closed |
Open |
Open |
Closed |
|
BASE I/O ADDRESS SELECTION |
||||||||
|
Address |
A/1 |
A/2 |
A/3 |
A/4 |
A/5 |
A/6 |
A/7 |
|
|
|
100h |
Closed |
Closed |
Closed |
Closed |
Closed |
Open |
Closed |
|
» |
200h |
Closed |
Closed |
Closed |
Closed |
Closed |
Closed |
Open |
|
|
220h |
Closed |
Closed |
Open |
Closed |
Closed |
Closed |
Open |
|
|
280h |
Closed |
Closed |
Closed |
Closed |
Open |
Closed |
Open |
|
|
300h |
Closed |
Closed |
Closed |
Closed |
Closed |
Open |
Open |
|
|
338h |
Open |
Open |
Open |
Closed |
Closed |
Open |
Open |
|
|
350h |
Closed |
Open |
Closed |
Open |
Closed |
Open |
Open |
|
|
360h |
Closed |
Closed |
Open |
Open |
Closed |
Open |
Open |
|
|
370h |
Closed |
Open |
Open |
Open |
Closed |
Open |
Open |
|
INTERRUPT SELECTION |
||||||
|
Setting |
B/2 |
B/3 |
B/4 |
B/5 |
B/6 |
B/7 |
|
IRQ2 |
Closed |
Open |
Open |
Open |
Open |
Open |
|
IRQ3 |
Open |
Closed |
Open |
Open |
Open |
Open |
|
IRQ4 |
Open |
Open |
Closed |
Open |
Open |
Open |
|
IRQ5 |
Open |
Open |
Open |
Closed |
Open |
Open |
|
IRQ6 |
Open |
Open |
Open |
Open |
Closed |
Open |
|
IRQ7 |
Open |
Open |
Open |
Open |
Open |
Closed |
|
MISCELLANEOUS TECHNICAL NOTES |
|
The SC499-R is used with FT60 tape drive. The tape drive cannot be used in EISA systems , 486 or 386 faster than 25MHz. |