AMERICAN DATA AQUISITION CORPORATION

5500HR

Card Type

Data Aquisition

Chip Set

Unidentified

Maximum Onboard Memory

Unidentified

I/O Options

Analog input, digital input

Hard Drives supported

None

Floppy drives supported

None

Data Bus

16-bit ISA

Card Size

Three-quarter length

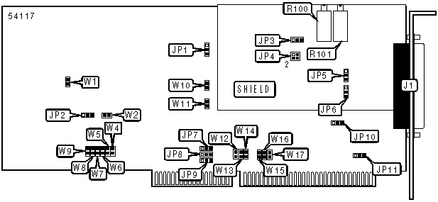
CONNECTIONS

Function

Label

Function

Label

37-pin analog/digital signals connector

J1

A/D offset selector

R101

A/D converter range selector

R100

 

 

DMA CHANNEL SELECTION

Channel

W12

W13

W14

W15

W16

W17

»

Disabled

Open

Open

Open

Open

Open

Open

 

1

Open

Open

Closed

Open

Open

Closed

 

2

Open

Closed

Open

Open

Closed

Open

 

3

Closed

Open

Open

Closed

Open

Open

ANALOG INPUT CONFIGURATION

Setting

W1

W3

JP5

JP6

»

Pseudo differential (PD)

Open

Open

Pins 2 & 3

Pins 2 & 3

 

Single ended (SE)

Open

Closed

Pins 1 & 2

Pins 2 & 3

 

Fully differential (DI)

Closed

Closed

Open

Pins 1 & 2

Note: Pins designated are in the closed position.

A/D TRIGGER SOURCE SELECTION

Mode

JP2

W2

»

H/W trigger source = Counter 0

Pins 2 & 3 closed

Open

 

External trigger

Pins 1 & 2 closed

Open

 

Scan mode triggering

Pins 2 & 3 closed

Closed

Note: Scan mode triggering initiates triggers from counter 0 on receipt of external trigger.

COUNTER SOURCE SETTINGS

Counter

Setting

Label

Position

»

Counter 1 clock source

External (clock 1)

JP10

Pins 2 & 3 closed

 

Counter 1 clock source

1.00 MHz oscillator

JP10

Pins 1 & 2 closed

»

Counter 2 clock source

External (clock 2)

JP11

Pins 2 & 3 closed

 

Counter 2 clock source

1.00 MHz oscillator

JP11

Pins 1 & 2 closed

DIGITAL I/O PORT CONFIGURATION

Function

Label

Position

»

Port 1 (DIO4-DIO7) output

W10

Open

 

Port 1 (DIO4-DIO7) input

W10

Closed

»

Port 0 (DIO0-DIO3) input

W11

Closed

 

Port 0 (DIO0-DIO3) output

W11

Open

A/D RANGE SELECTION

Polarity

Voltage

JP1

JP3

JP4

»

Bipolar

+ 10V

Pins 2 & 3

Pins 1 & 2

Pins 2 & 4

 

Unipolar

+0-10V

Pins 1 & 2

Pins 2 & 3

Pins 3 & 4

 

Bipolar

+ 5V

Pins 2 & 3

Pins 1 & 2

Pins 3 & 4

 

Unipolar

0-5V

Pins 1 & 2

Pins 2 & 3

Pins 1 & 2, 3 & 4

 

Bipolar

+ 2.5V

Pins 2 & 3

Pins 1 & 3

Pins 1 & 2, 3 & 4

Note: Pins designated are in the closed position.

BASE I/O ADDRESS SELECTION

Setting

W9

W8

W7

W6

W5

W4

 

000h

Open

Open

Open

Open

Open

Open

 

010h

Open

Open

Open

Open

Open

Closed

 

020h

Open

Open

Open

Open

Closed

Open

 

030h

Open

Open

Open

Open

Closed

Closed

 

040h

Open

Open

Open

Closed

Open

Open

»

110h

Open

Closed

Open

Open

Open

Closed

 

3B0h

Closed

Closed

Closed

Open

Closed

Closed

 

3C0h

Closed

Closed

Closed

Closed

Open

Open

 

3D0h

Closed

Closed

Closed

Closed

Open

Closed

 

3E0h

Closed

Closed

Closed

Closed

Closed

Open

 

3F0h

Closed

Closed

Closed

Closed

Closed

Closed

Note:

A total of 256 base address settings are available. The jumpers are a binary representation of the decimal memory addresses. W9 is the Most Significant Bit and switch W4 is the Least Significant Bit. The switches have the following decimal values: W9=512, W8=256, W7=128, W6=64, W5=32, W4=16. Turn off the switches and add the values of the switches to obtain the correct memory address. (Close=1, Open=0)

IRQ INTERRUPT SELECTION

IRQ

JP7

JP8

JP9

 

IRQ2

Open

Open

Pins 1 & 2 closed

 

IRQ3

Open

Pins 1 & 2 closed

Open

 

IRQ4

Pins 1 & 2 closed

Open

Open

 

IRQ5

Open

Open

Pins 2 & 3 closed

 

IRQ6

Open

Pins 2 & 3 closed

Open

 

IRQ7

Pins 2 & 3 closed

Open

Open

»

Disabled

Open

Open

Open