ACQUTEK CORPORATION
XI-IM04
|
Card Type |
Data acquisition |
|
Chipset |
Unidentified |
|
I/O Options |
High-voltage inputs (4) |
|
Data Bus |
XDI module |
|
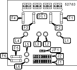
CONNECTIONS | |||
|
Function |
Label |
Function |
Label |
|
XDI to second XI-IM04 card |
J1 |
Bit 4 fuse |
F4 |
|
XDI header output |
J2 |
Test/storage fuse |
F5 |
|
Bit 1 fuse |
F1 |
Test/storage fuse |
F6 |
|
Bit 2 fuse |
F2 |
Signal inputs (see pinout below) |
SC1 |
|
Bit 3 fuse |
F3 | ||
|
SC1 PINOUT | |||
|
Function |
Screw |
Function |
Screw |
|
Bit 1 input |
1 |
Bit 3 input |
5 |
|
Bit 1 input |
2 |
Bit 3 input |
6 |
|
Bit 2 input |
3 |
Bit 4 input |
7 |
|
Bit 2 input |
4 |
Bit 4 input |
8 |
|
USER CONFIGURABLE SETTINGS | ||
|
Setting |
Label |
Position |
|
Card is Least Significant Nibble |
JP1 |
Pins 2 & 3 closed |
|
Card is Most Significant Nibble |
JP1 |
Pins 1 & 2 closed |
|
Note:When a second XI-IM04 card is connected via J1, one card must be set to the Most Significant Nibble and the other to the Least Significant Nibble. | ||
|
DIAGNOSTIC LED(S) | |||
|
LED |
Color |
Status |
Condition |
|
L1 |
Unidentified |
On |
Bit 1 is high |
|
L1 |
Unidentified |
Off |
Bit 1 is low |
|
L2 |
Unidentified |
On |
Bit 2 is high |
|
L2 |
Unidentified |
Off |
Bit 2 is low |
|
L3 |
Unidentified |
On |
Bit 3 is high |
|
L3 |
Unidentified |
Off |
Bit 3 is low |
|
L4 |
Unidentified |
On |
Bit 4 is high |
|
L4 |
Unidentified |
Off |
Bit 4 is low |
|
L5 |
Unidentified |
On |
Fuse in F5 is good |
|
L5 |
Unidentified |
Off |
Fuse in F5 is bad |
|
L6 |
Unidentified |
On |
Fuse in F6 is good |
|
L6 |
Unidentified |
Off |
Fuse in F6 is bad |
|
MISCELLANEOUS TECHNICAL NOTES |
|
This card is an expansion module for Acqutek Corporation’s data acquisition cards. See other documents from this manufacturer for more information. |