UNIDENTIFIED

SUPER I/O CONTROLLER CARD

Data bus:

16-bit, ISA

Size:

Full-length, full-height card

Hard drive supported:

Two IDE (AT) Interface drives

Floppy drives supported:

Two 360KB, 720KB, 1.2MB, or 1.44MB drives

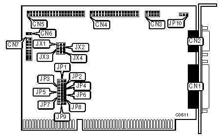
CONNECTIONS

Function

Location

2-pin connector - drive active LED

CN1

16-pin game port - external

CN2

40-pin IDE (AT) Interface connector

CN3

34-pin control cable connector - floppy drive

CN4

10-pin serial port (COM2/4) - internal

CN5

10-pin serial port (COM1/3) - internal

CN6

25-pin parallel port (LPT1/2) - external

CN7

USER CONFIGURABLE SETTINGS

Function

Location

Setting

Game port enable

JP1

Pins 1 & 2 closed

Game port disable

JP1

Pins 2 & 3 closed

Hard disk enable

JP2

Pins 1 & 2 closed

Hard disk disable

JP2

Pins 2 & 3 closed

Floppy disk enable

JP3

Pins 1 & 2 closed

Floppy disk disable

JP3

Pins 2 & 3 closed

Serial port 1 - COM1

JP4

Pins 1 & 2 closed

Serial port 1 - COM3

JP4

Pins 2 & 3 closed

Serial port 1 enable

JP5

Pins 1 & 2 closed

Serial port 1 disable

JP5

Pins 2 & 3 closed

Serial port 2 - COM2

JP6

Pins 1 & 2 closed

Serial port 2 - COM4

JP6

Pins 2 & 3 closed

Serial port 2 enable

JP7

Pins 1 & 2 closed

Serial port 2 disable

JP7

Pins 2 & 3 closed

Parallel port - LPT2

JP8

Pins 1 & 2 closed

Parallel port - LPT3

JP8

Pins 2 & 3 closed

Parallel port enable

JP9

Pins 1 & 2 closed

Parallel port disable

JP9

Pins 2 & 3 closed

IOCHRDY - disable

JP10

Closed

IOCHRDY - enable

JP10

Open

HDC Installed

JX1

Pins 1 & 2 closed

HDC Not Installed

JX1

Pins 2 & 3 closed

IDE type XT

JX2

Pins 1 & 2 closed

IDE type AT

JX2

Pins 2 & 3 closed

Primary hard disk address - 1F0-1F7H, 3F6H, 3F7H

JX3

Pins 1 & 2 closed

Secondary hard disk address - 170-177h, 376h, 377h

JX3

Pins 2 & 3 closed

Primary floppy address - 3F2-3F5h, 3F7, 1F7h

JX4

Pins 1 & 2 closed

Secondary floppy address - 372-375h, 377h, 177h

JX4

Pins 2 & 3 closed