SONY CORPORATION

CDU-31A ADAPTER BOARD

Card Type

CD-ROM drive controller card

Chipset

Unidentified

Maximum onboard memory

Unidentified

I/O options

CD-ROM audio in, line out

Hard Drives supported

None

Floppy drives supported

None

Data Bus

8-bit ISA

Card Size

Half-length, full-height card

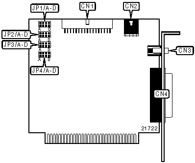
CONNECTIONS

Function

Location

Function

Location

34-pin proprietary CD-ROM interface - internal

CN1

Line out

CN3

Audio in - CD-ROM

CN2

50-pin proprietary CD-ROM connector - external

CN4

USER CONFIGURABLE SETTINGS

Function

Label

Position

»

Factory configured - do not alter

JP1/C

Reserved

»

Factory configured - do not alter

JP1/D

Reserved

»

Factory configured - do not alter

JP2/D

Reserved

»

Factory configured - do not alter

JP3/D

Reserved

DMA CHANNEL SELECTION

Channel

JP2/A

JP2/B

JP2/C

JP3/A

JP3/B

JP3/C

1

On

Off

Off

On

Off

Off

2

Off

On

Off

Off

On

Off

3

Off

Off

On

Off

Off

On

INTERRUPT SELECTION

IRQ

JP4/A

JP4/B

JP4/C

JP4/D

3

Off

Off

On

Off

4

Off

On

Off

On

5

On

Off

Off

Off

6

Off

On

Off

Off

BASE I/O ADDRESS SELECTION

Address

JP1/A

JP1/B

320h

Closed

Closed

330h

Closed

Open

340h

Open

Closed

360h

Open

Open