PINE TECHNOLOGY

PT-606E

Card Type

Controller card

Maximum Onboard Memory

Unidentified

Hard Drives supported

Two IDE (AT) drives

Floppy drives supported

Two 360KB, 720KB, 1.2MB, or 1.44MB drives

I/O Options

Floppy drive interface, game port, IDE interface (2), parallel port, serial ports (2)

Data Bus

16-bit ISA

Card Size

Half-length, full-height

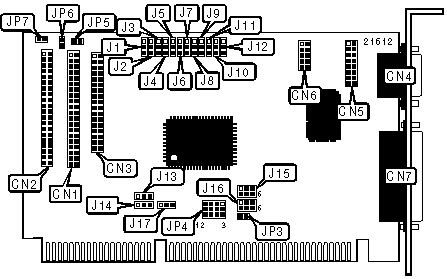
CONNECTIONS

Function

Label

Function

Label

40-pin secondary IDE(AT) connector

CN1

10-pin serial port 2 - internal

CN6

40-pin primary IDE(AT) connector

CN2

25-pin parallel port - external

CN7

34-pin cable connector - floppy drive

CN3

2-pin connector - primary IDE drive active LED

JP6

9-pin serial port 1 - external

CN4

2-pin connector - secondary IDE drive active LED

JP7

16-pin game port - internal

CN5

   

USER CONFIGURABLE SETTINGS

Function

Label

Position

»

Game port enabled

J1

Pins 1 & 2 closed

 

Game port disabled

J1

Pins 2 & 3 closed

»

Floppy drive interface enabled

J3

Pins 1 & 2 closed

 

Floppy drive interface disabled

J3

Pins 2 & 3 closed

»

Primary IDE enabled

J5

Pins 1 & 2 closed

 

Primary IDE disabled

J5

Pins 2 & 3 closed

»

Secondary IDE enabled

J6

Pins 1 & 2 closed

 

Secondary IDE disabled

J6

Pins 2 & 3 closed

»

External floppy enabled

J12

Pins 1 & 2 closed

 

External floppy disabled

J12

Pins 2 & 3 closed

»

ECP enabled

J13

Pins 1 & 2 closed

 

ECP disabled

J13

Pins 2 & 3 closed

»

Factory configured - do not alter

J14

Pins 1 & 2 closed

»

Factory configured - do not alter

J17

Unidentified

»

IOCHRDY signal enabled

JP3

Closed

 

IOCHRDY signal disabled

JP3

Open

»

IDE channels use same IDE LED

JP5

Closed

 

IDE channels use separate IDE LEDs

JP5

Open

PARALLEL PORT ADDRESS SELECTION

Setting

J4

»

LPT1 (378h)

Pins 1 & 2 closed

 

LPT2 (278h)

Pins 2 & 3 closed

SERIAL PORT ADDRESS SELECTION

Setting

J7

J8

J9

J10

COM1 (3F8h)

Pins 1 & 2 closed

Pins 1 & 2 closed

N/A

N/A

COM2 (2F8h)

N/A

N/A

Pins 1 & 2 closed

Pins 1 & 2 closed

COM3 (3E8h)

Pins 1 & 2 closed

Pins 2 & 3 closed

N/A

N/A

COM4 (2E8h)

N/A

N/A

Pins 1 & 2 closed

Pins 2 & 3 closed

Disabled

Pins 2 & 3 closed

N/A

Pins 2 & 3 closed

N/A

INTERRUPT SELECTION

IRQ (Send)

IRQ (Receive)

JP4

3

3

Pins 11 & 12 closed

3

4

Pins 10 & 11 closed

4

3

Pins 8 & 9 closed

4

4

Pins 7 & 8 closed

5

3

Pins 5 & 6 closed

5

4

Pins 4 & 5 closed

9

3

Pins 2 & 3 closed

9

4

Pins 1 & 2 closed

PARALLEL PORT MODE SELECTION

Setting

J2

J11

»

SPP

Pins 2 & 3 closed

Pins 1 & 2 closed

 

ECP

Pins 1 & 2 closed

Pins 1 & 2 closed

 

EPP

Pins 1 & 2 closed

Pins 2 & 3 closed

DACK/DRQ SELECTION

Setting

DACK

DRQ

J15

J16

»

SPP

N/A

N/A

Pins 5 & 6 closed

Pins 1 & 2 closed

 

ECP/EPP

3

1

Pins 1 & 2 closed

Pins 3 & 4 closed

 

ECP/EPP

3

3

Pins 3 & 4 closed

Pins 5 & 6 closed