NCL AMERICA

NCL 5027

Data bus: 8-bit, ISA

Size: Half-length, full-height card

Hard drives supported: Two ST506/412 MFM drives

Floppy drives supported: None

Sector Interleave: 6:1

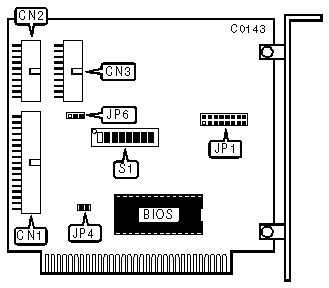
CONNECTIONS

Function

Location

34-pin control cable connector

CN1

20-pin data cable connector-drive 0

CN2

20-pin data cable connector-drive 1

CN3

USER CONFIGURABLE SETTINGS

Function

Location

Setting

»

BIOS enabled

JP1/all

closed

 

BIOS disabled

JP1/all

open

»

Speed Recalibration set to slow

JP4

closed

 

Speed Recalibration set to fast or normal

JP4

open

»

Head select set up to 8 heads

JP6

pins 1 & 2 closed

 

Head select set up to 16 heads

JP6

pins 2 & 3 closed

BIOS DRIVE TYPE TABLE FOR THE NCL5027

Hd/Cyl

#

S1/1

S1/2

S1/3

S1/4

S1/5

S1/6

S1/7

S1/8

7/699

1

on

on

on

off

N/A

N/A

N/A

on

6/612

1

on

on

off

off

N/A

N/A

N/A

off

 

2

N/A

N/A

N/A

off

on

on

off

off

4/640

1

on

off

on

off

N/A

N/A

N/A

off

 

2

N/A

N/A

N/A

off

on

off

on

off

4/612

1

on

off

on

off

N/A

N/A

N/A

off

 

2

N/A

N/A

N/A

off

on

off

on

off

2/612

1

off

on

on

off

N/A

N/A

N/A

off

 

2

N/A

N/A

N/A

off

off

on

on

off

2/306

1

off

on

off

off

N/A

N/A

N/A

off

 

2

N/A

N/A

N/A

off

off

on

off

off

4/320

1

off

off

on

off

N/A

N/A

N/A

off

 

2

N/A

N/A

N/A

off

off

off

on

off

4/306

1

off

off

off

off

N/A

N/A

N/A

off

 

2

N/A

N/A

N/A

off

off

off

off

off

6/640

1

on

on

on

on

N/A

N/A

N/A

off

 

2

N/A

N/A

N/A

on

on

on

on

off

5/733

1

on

on

off

on

N/A

N/A

N/A

off

 

2

N/A

N/A

N/A

on

on

on

off

off

7/733

1

on

off

on

on

N/A

N/A

N/A

on

5/830

1

on

off

off

on

N/A

N/A

N/A

on

7/830

1

off

on

on

on

N/A

N/A

N/A

on

10/830

1

off

on

off

on

N/A

N/A

N/A

on

15/918

1

off

off

on

on

N/A

N/A

N/A

on

5/977

1

off

off

off

on

N/A

N/A

N/A

on

Note:SW1/switch 8 must be "on" before power-up to enable the drive splitting feature.

MISCELLANEOUS TECHNICAL NOTES

Jumper JP2 is the port address jumper and is hard soldered at the factory to 320h.

Jumpers JP3, 5, 7, 8, and 9 are Not used and their exact location is unknown.